Peça de reposição utilizada na manutenção Serra Circular SPET SP5900B
Características / Compatibilidade:
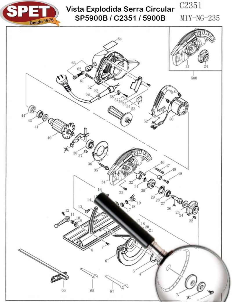
Serra Circular C2351
Serra Circular N1Y-NG-235
Serra Circular SP 5900B
Serra Circular Makita 5900B
Especificações:
Código: 5958
Posição da Peça (POS): 2
Referência (REF): 10010
Principal Material: Aço
Ideal para: Serra Circular SP5900B e C2351
Informações Adicionais:
Acompanha:
Arruela de Separação Pos 2 / Ref 10010
Garantia de 3 meses contra defeitos de fabricação*
* a garantia não cobre dados causados por manutenção irregular
