Formas de Pagamento
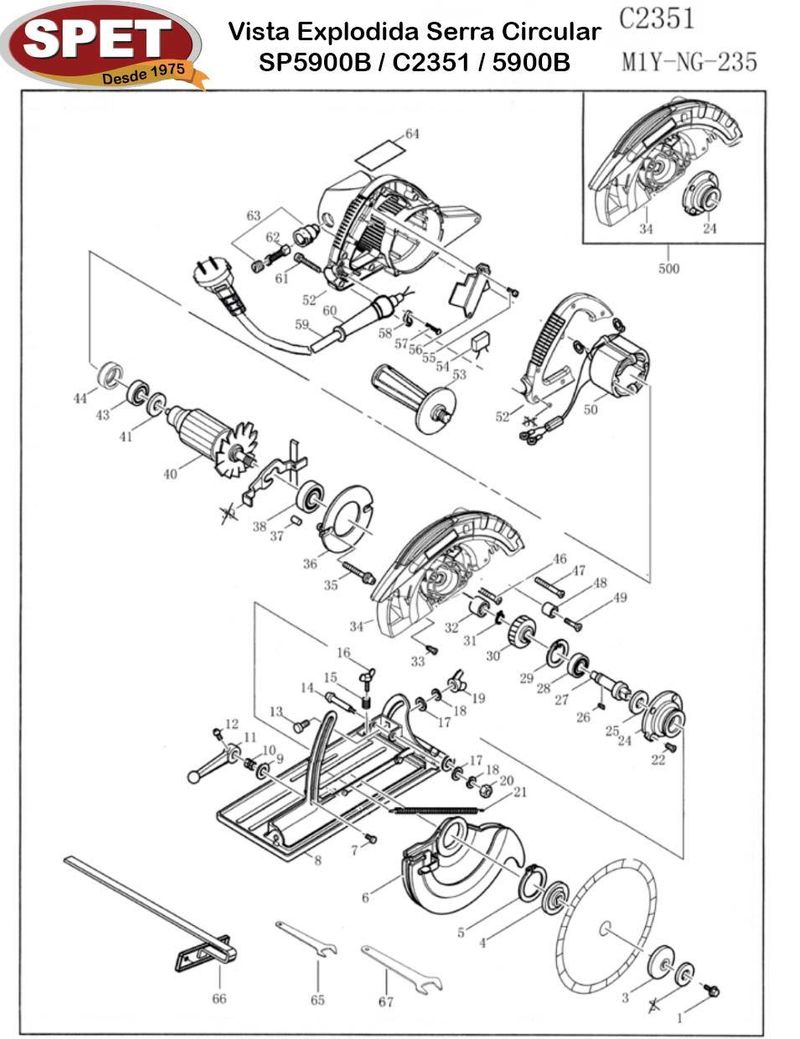
 Peça de reposição utilizada na manutenção Serra Circular SPET SP5900B
 
 Características / Compatibilidade:
 Serra Circular C2351
 Serra Circular N1Y-NG-235
 Serra Circular SP 5900B
 Serra Circular Makita 5900B
 
 
 Especificações:
 Código: 5996
 Posição da Peça (POS): 41
 Referência (REF): 4090401006
 Principal Material: Plástico
 Ideal para: Serra Circular SP5900B e C2351
 
 Informações Adicionais:
 
 
 Acompanha:
 Arruela de Isolamento Pos 41 / Ref 4090401006
 Garantia de 3 meses contra defeitos de fabricação*
 * a garantia não cobre dados causados por manutenção irregular 
